| Sign In | Join Free | My benadorassociates.com |
|
Brand Name : BEDE
Model Number : AISG-0027
Certification : CE RoHS
Place of Origin : China
MOQ : 240pcs
Price : negotiation
Payment Terms : T/T, Western Union, MoneyGram
Supply Ability : 5500 pcs per day
Delivery Time : 3 days after payment
Packaging Details : packing in PE bag with mounting nut and protective cap, 120pcs per carton
style : rear panel mounting
connection : male to female
rated current : 3A
Contact Resistance : 3Ω max
wire gauge : 22AWG
applicable temperature : -45 ~ + 85℃
AISG Inner Cables RET Control Cables Male To Female And SCN2.54-6P Plug IP67
Structure
1. protective cap of female connetors, black color
2. male connector, AISG C485 A1 style, copper with nickel plated
3. o-ring, rubber material, for waterproofing
4. wires, gauge 22AWG, length 80mm in stock, customization is available
5. heat shrink tube, EVA material, color and size can be customized
6. female connector, AISG C485 A3 style, copper with nickel plated
7. protective cap of male connetors, black color
8. insulator, PBT materials, black color, pin layout is based on DIN EN 61076-2-106:2012-04 variant 08-a
9. SCN2.54-6P plug, this end can be customized
10. contact pins, brass with silver plated
11. panel mounting nuts for male connector and female connector, stainless steel material

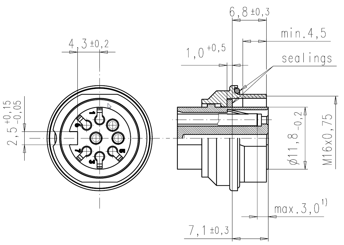
Interface dimensions of male and female connector


|
|
AISG Inner RET Control Cables Male To Female And SCN2.54-6P Plug IP67 Images |